ǰ
GB/T 1. 1һ2009 Ĺݡ
ɹҵڡ
ݵλӱʡ֣ݣ ڰܿƼɷ˾ӱܿƼ˾
Ҫˣκĺ.ͯסΰ.Ԫ\к㡢ĸΰ ..Ρܳ
ļ涨˵ݣңڵļ鵵ƽӵ洢뱣ܡʽתṩõȹάӵ֤ЧһҪ뷽
Ϣ̵ļӿ죬ϢѳΪ֧ŵûĻʯϢҲµ洢豸ӵֶܼܡ綯ܼܼܼΪּĽ壬ڵо߱ʹñݡȫŵ㣬õԽԽ൵ݡҵϿɡ
ּڹ淶ܼܹϵͳĹԼϵͳĽӿڱַӵܼܵЧߵܼܹϵͳĿɿԡԣ֤ŵİȫ֧ź淶Ŷܼܵ
1 Χ
涨˵ܼܹϵͳĹҪԼܼܹϵͳͳһӿڱ
ڸۺϵݡרŵݡŵݼѧУҵλң
2 淶ļ
ļڱļӦDZزٵġעڵļעڵİ汾ڱļDzעڵļ°汾еĵڱļ
GB 5226. 1һ2008 еȫ е豸 1֣ͨüIEC 60204-1:2005IDT
GB/T 9969 ҵƷʹ˵
GB/T 13667.3 3 ֶ֣ܼ
3 Ͷ
GB 9969GB/T 13667.3GB/T 13667.4.GB/T 27703DAVT 7 綨ԼͶڱļ
3.1ܼܹϵͳ intelligent mobile shelving system
Ը·ɼΪʵܼܵIJٿذȫϢȡصȹһۺϿϵͳͨװڹ̶ܵĹػС
3.2ѹװ extrusion prevention protector
ͨ籣ѹȷʽж豸ֹ֮˻Ʒܼѹװá
3.3λװ positioningguidingdevice
ܼͨܿϵͳĵλܣõλƾߵ豸ָʾϴλõװá
3.4λװ positiondetectiondevice
ôŸӦ༼ǷеԤλõװá
3.5 regionalcontrolbus
ܼи֮䴫ϢĹͨ·
3.6Ļװ regionallightcurtaindevice
ùӦԭƳɵİȫװã˺ͽն˷ֱװܼˣܼ֮ܵγɹĻ֪ܼǷҵԱϰ
4 ܼܹϵͳҪ
4.1 Ҫ
4.1.1 Լ칦
ܹϵͳڿʼͨ繤ʱӦԶܼܸǷԼӦֱ ʽֻʾo
4.1.2
ܼܹϵͳӦܽ²
a) ӦܼڵĻܽӦܱװ
b) ӦѾлܽнӦܱװ
c) ƶӦڻܽ£װַԻǰʱַƶ
d) ƶӦڻܽ£װַԻǰʱַƶ
e) ֹͣƶӦʹƶƶеĻֹͣƶ
f) ϼܣӦʹл̶ܿ£
g) ͨ磺ܼܵлӦԶ̶һʱ䣬ʹܼܹͨ绻
4.1.3 ״̬ʾ
ܹϵͳӦʾ¶ȡʪȵʵʱڻݣܼܵIJ״̬Աͨʵʱ״̬ԼϢʾ沼ֺ
4.1.4 ѯλ
ͨʾѯܼϵĵϣʾɴŵϵܼܣͨλװָʾλáⲿ豸ӦÿܼͨܿϵͳṩͨЭвѯλ
4.1.5 ƹ
ܹرʱͨӦϨܼܴʱͨӦ30sͨԱҵͨӦԶϨ𣻵ԱͨʱͨӦԶ
4.1.6
ܲϢӦͨʾƽȡ
4.1.7 ־
ܼвϢӦ¼־ñ档־ܹļʽ
4.1.8 ͨЭ
ܿϵͳӦͬʱ߱Э鷽ʽԼWebServiceЭ鷽ʽⲿ豸ⲿӦýеãЭRS485ӿڣ߽ͨͨţųͬʱʹͨʽܣͨЭ¼AWeb ServiceͨӦݴ䰲ȫҪͨЭ¼B
λñʶɹ¼C
4.2 ػҪ
ػܼܵĺIJͨװڹػϵܼܿϵͳʵּѯλơȫڻصܻܡ
ػӦҪ
a) ̶ܹػӦвϵͳ֧
b) ܹػӦṩõĽӿڣUSBڡRS232ӿڼRS485ӿڵȣ
c) ̶ܹػӦ֧ÿ첻8hĿʱۼʹʱӦ30000h
d) ̶ܺͻϵĹػʾӦִ֧ʽ
e) ʾӦԻۡ㡢ɫȱʧ쳣
f) ̶ܺͻϵĹػʾӦװڹ̶ܺͻǰϣλҾС߶ʣ
4.3 ȫҪ
4.3.1 аȫҪ
ΪȷݵİȫԱȫӦҪ
a) ܼϵһӦװװãֹȨԱв鿴
b) ÿһܼܾܵװб״̬£ܱܲƶ
c) Ӧ÷ѹװĻװáͨĻͨеֻϵķʩȷֹɿܴڴ״̬ʱеķѹװӦڹ״̬
d) ÿһлܾ谲װλװãԼܵĵλ״̬
e) ӦõеװãԼܶװõǷ裬ֹ쳣ɵ豸ԱΣգ
f) ܲͨԱӦͬʱҪƽȡ
g) ƶʱӦƽСֹͣƽٶΪ3m/min~6m/min
h) ܶװòôڼ̵
4.3.2 ݴ䰲ȫ
ݴӦܣԷڴбǷػƽ⡣
ܹϵͳʹʱӦͨʶָơĤ֤װý֤֤ܼܷͨʹá
4.3.3 õ簲ȫ
4.3.3.1 ܼܳʱ˲ʱ̶ܹػͿлܶϵ磬ΪڹػλôʱԶͨ硣
4.3.3.2 ܼܼӵãöѹ36VֱԴȷ岻Σȫĵѹ
4.3.3.3 ӵߣӦҪ
a) Ӧȼߣ
b) ϻĵӦעʹޣڸ
c) е߾ӦʵԱ֤Ե㲻ˣ
d) 贩ԽʱӦװгף߿ӦеǣзıԵ
e) Ҫ벼ãʹСס¾̶ڵĵҪ
4.3.3.4 ӦҪ
a) ʹòʱͷ˵ɫӦͬ
b) ڽӲϺͷͲӦι̿ɿӦɶӴ
4.3.3.5 ·ӦпɿĶ·װá·װӦGB 5226.12008 5.3
4.4 ڻ
ӦҪ
a) ܼӦֲ֧ɼܼʪݣ
b) ܼӦ֧ȫ¼ʪ
c) ñʪݣṩʪݵɾܣ
d) ܼӦֶ֧ͨ绻ͬʱҲָ֧õ¶ȡʪȇֵԶͨ绻ʹܼ㵵ϵĴܼܲɼĻݲʱӦʾڽĿλʾʾϢ
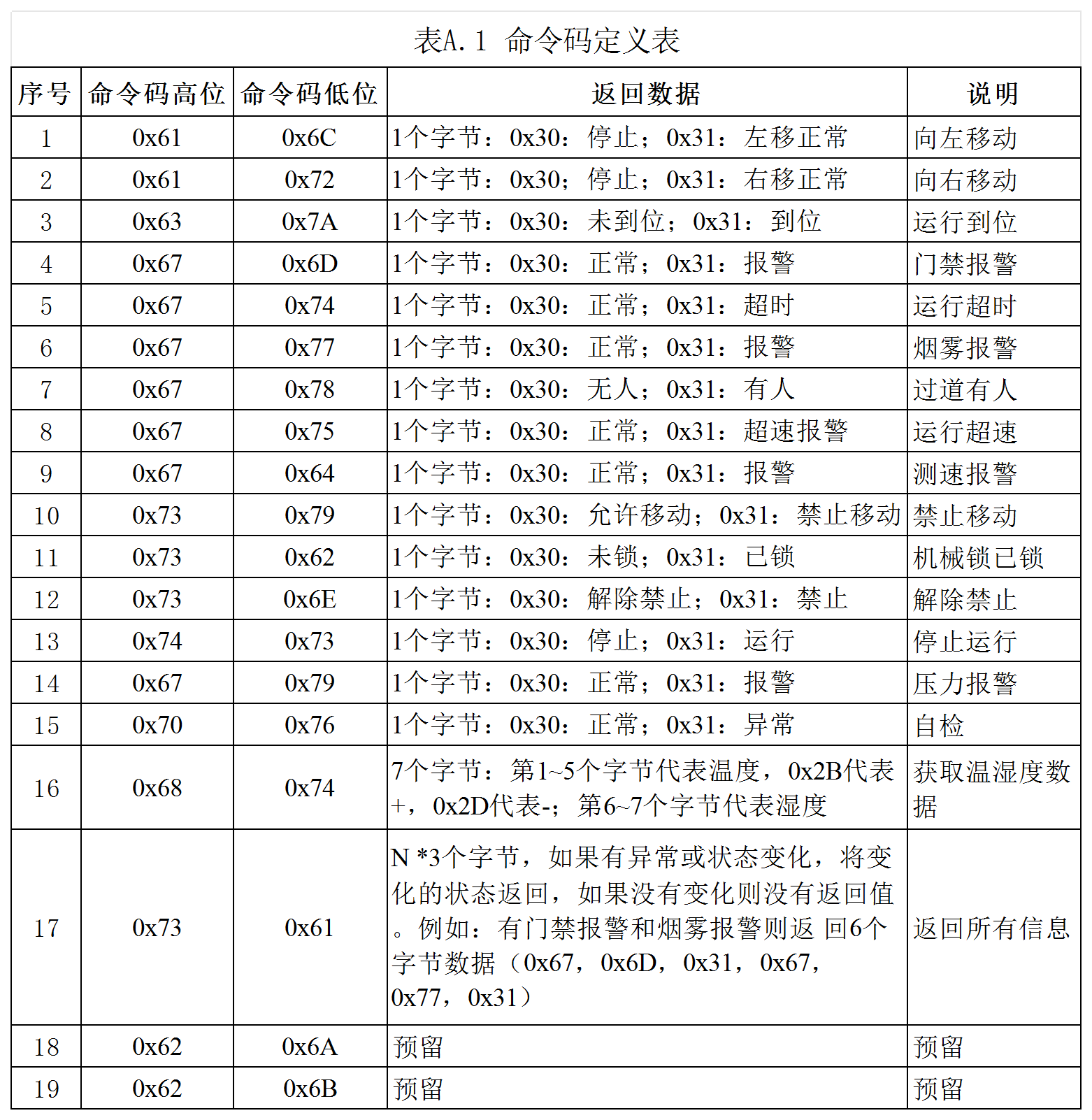
5 ־
ܼʹõ֡ͼΡ־ӦҪ
a) ;áĿ淶
b) ʾʾ˵ơ־еӦʹģҪҲͬʱʹ
c) ܼܡʾװáȫװӦƣ
d) Ӧװӡ豸ĿλãƳߴӦṹߴ
e) Ӧơַ̱ꡢƷơͺšڵݡƳԱʾϢʱӦʶơ̱ԼƷơ
¼ A
淶Ը¼
ܿϵͳͨЭ
A.1
¼涨ⲿ豸ܼܼͨͨҪ涨ͨݼʽ¼RS485ͨŷʽ
A.2 ͨŴԼ
A.2.1 Ҫ
ͨŴӦҪ
a) 9600bpsݽṹ1λʼλ8λλ1λֹͣλУ
b) ݽٴ䣬ЭеݲASCַ
c) ݿDZݶصIJݣ
d) ݿ鳤ָݶصIJݵijȣֽʾ
e) ʼͷ̶Ϊ0x3A
f) ݳֵΪʼͷݳֽ
g) УλͨLRCУ飻
h) ¶ȡֵΧӦΪ20.00~99.99棻
i) ʪȡֵΧӦΪ0~99 %RH
A.2.2 ݹ淶
A.2.2.1 ȡʪ
̶йػܼܿݶ
a) ʼͷ1ֽ
b) ݳȣ1ֽ
c) λ1ֽڣ A.1
d) λ1ֽڣ A.1
e) Ԥλ2ֽ
f) LRCУ飨1ֽ
ܼܿظ̶йػݶ٣
a) ʼͷ1ֽ
b) ݳȣ1ֽ
c) λ1ֽڣ A.1
d) λ1ֽڣ A.1
e) Ԥλ2ֽ
f) ¶ֵ5ֽڣ1ֽ0x2B+0x2D-2~4ֽڴ¶ȣȡֵ 0000~9999ʾ¶ȷΧ00.00~99.99
g) ʪֵ2ֽڣȡֵ00~99ʾʪȷΧ0~99%RH
h) LRCУ飨1ֽ
A.2.2.2 ѯܼ״̬
̶йػܼܿݶ٣
a) ʼͷ1ֽ
b) ݳȣ1ֽ
c) λ1ֽڣ A.1
d) λ1ֽڣ A.1
e) ţ1ֽ
f) бţ1ֽ
g) Ԥλ2ֽ
h) LRCУ飨1ֽ
ܼܿظ̶йػݶ٣
a) ʼͷ1ֽ
b) ݳ1ֽ
c) λ1ֽڣ A.1
d) λ1ֽڣ A.1
e) 1ֽ
f) б1ֽ
g) Ԥλ2ֽ
h) ݶnֽڣ0n249ݶ0ʼ1ֱӦڻܴ˳ıţʾұһеľ룬λcm
i) LRCУ1ֽ
A.2.2.3 ܼܿ
̶йػܼܿݶ٣
a) ʼͷ1ֽ
b) ݳ1ֽ
c) λ1ֽڣ A.1
d) λ1ֽڣ A.1
e) 1ֽ
f) б1ֽ
g) Ԥλ2ֽ
h) LRCУ1ֽڣ
ܼܿظ̶йػݶ٣
a) ʼͷ1ֽ
b) ݳ1ֽ
c) λ1ֽڣ A.1
d) λ1ֽڣ A.1
e) 1ֽ
f) б1ֽ
g) Ԥλ2ֽ
h) ݶnֽڣ0n249ݶ0ʼ1ֱӦڻܴ˳ıţʾұһеľ룬λcm
i) LRCУ1ֽڣ

¼ B
淶Ը¼
ܼܿϵͳͨЭ
¼涨ܼܹػⲿϵͳͨҪ涨ӿơʽB.1~ B.11


¼ C
淶Ը¼
ܼλñʶɹ
C.1
ܼλñʶ18λֱ룬ɵ롢λ롢ⷿ롢롢б롢ڱ롢롢ű롢˳ ɽṹͼC.1ʾ

C.2
2λˮɡ
C.3 λ
4λɣ+2λˮš
C.4 ⷿ
6λɣλ+2λˮš
C.5
8λɣⷿ+2λˮš
C.6 б
10λɣ+2λˮš
C.7 ڱ
12λɣб+2λˮš
C.8
14λɣڱ+2λˮš
µУĵһΪ01ӡ
C.9 ű
16λɣ+2λˮš
壬һΪA棬һΪB档Aԡ01ʾBԡ02ʾ
C.10 ˳
18λɣű+2λˮš
Уÿ˵һλλúΪ01ӡ
[1] GB/T 27703 2011 Ϣ ͼݺ͵ݵױҪ
[2] JGJ25 2010 ݽƹ淶
[3] DA/T 56 2014 Ϣϵͳά淶
[4] DA/T 57 2014 ϵݿתΪ XMLļʱļ淶
[5] 103 2008 ݽ